Schema Di Cablaggio
Www Wutel Net Schemi Elettrici Per Impianti Fv A 48 Volt
L Impianto Elettrico Nell Appartamento
La Tecnica Dei Collegamenti Nel Cablaggio Strutturato
Standard Schemi E Regole Per Il Cablaggio
Schemi Di Cablaggio Dei Manuali Di Riparazione Dell Officina Delle Automobili Raisadeteman Ml
Schema Di Cablaggio Elettrico Micro Cavo Usb Per V8 Micro Usb Cavo Dati Per Smartphone Per Il Iphone 6 Buy Cavo Micro Usb Per V8 Micro Cavo Dati Usb Caricatore Per Auto Usb
Su richiesta di Demetrio Schema cablaggio cavo hdmi membri del sito hanno presentato le immagini seguente Dopo essere stata sottomessa al voto, ecco la foto acclamata dalla comunità nel 15, per Schema cablaggio cavo hdmi.
Schema di cablaggio. A) lo schema di cablaggio illustrato viene modificato con cambiamento di collegamento o aggiunta di componenti nel caso non siano integrati o non lo siano sufficientemente, nel circuito di sicurezza b) l’utente non rispetta i requisiti delle norme di sicurezza per il funzionamento, la regolazione e la manutenzione della macchina Le. Il lavoro di cablaggio inizia con la creazione di un progetto e uno schema elettrico Questo documento è la base per la futura pubblicazione della casa La creazione di un progetto e di uno schema è una questione abbastanza seria ed è meglio affidarla a specialisti esperti. L'applicazione Schema di cablaggio del pannello solare è molto leggera, quindi non devi esitare a scaricare questa applicazione Schema di cablaggio del pannello solare su google playstore perché non utilizza troppo spazio di archiviazione sul tuo dispositivo mobile In questa applicazione Schematic Wiring Diagram del pannello solare.
Il cablaggio strutturato è un’infrastruttura che permette la trasmissioni di dati e segnali in uno o più edifici Si tratta di una rete che permette di collegare dispositivi come pc, stampanti, televisori e numerose altre risorse In questo modo si agevola una comunicazione più efficiente ed istantanea tra gli utilizzatori. Figura 4 – Architettura canonica a tre livelli della struttura di cablaggio secondo gli Standard ISO/IEC e CEI e CENELEC Indubbiamente questo schema riveste una grande importanza perché stabilisce un modello di riferimento che si adatta molto bene alla maggior parte delle situazioni concrete, offrendo contemporaneamente una piattaforma architettonica e topologica ed una. I cavi e i fili in edifici residenziali e non residenziali sono posati dal quadro con un misuratore del consumo di energia, spine di sicurezza o interruttori.
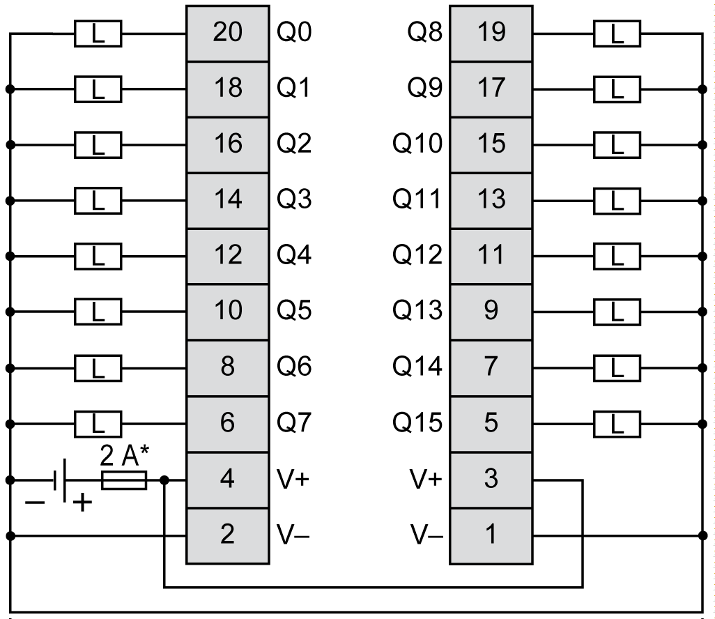
A) lo schema di cablaggio illustrato viene modificato con cambiamento di collegamento o aggiunta di componenti nel caso non siano integrati o non lo siano sufficientemente, nel circuito di sicurezza b) l’utente non rispetta i requisiti delle norme di sicurezza per il funzionamento, la regolazione e la manutenzione della macchina Le. Schema di cablaggio del TM3DI16 / TM3DI16G Introduzione Questi moduli di espansione dispongono di morsettiera rimovibile a vite o a molla per il collegamento degli ingressi e dell'alimentazione Regole per il cablaggio Vedere Miglior prassi per il cablaggio Schemi di cablaggio. Ciò risulta particolarmente utile quando si realizza un cablaggio con cavi confezionati I cavi per dati con applicato il blocco terminale preLink ® entrano anche negli spazi più ristretti e una volta posati possono essere collegati nel giro di pochi secondi, una facilitazione e un risparmio di tempo non indifferenti Inoltre i cavi usurati montati su apparecchiature mobili possono essere.
Lo schema di cablaggio maggiormente utilizzato è l’EIA/TIA568B che è il più recente ed ha una diafonia minore rispetto a quella del EIA/TIA568A Differenza tra cavi Ethernet dritti (patch) e incrociati (cross) Esistono due tipologie di Cavi Lan I cavi dritti (o patch). Lo schema finale realizzato, ci permette di fornire una soluzione tecnicamente e ed economicamente vincente per ogni occasione Cablaggio quadri elettrici Oltre ad una attenta progettazione, il corretto assemblaggio delle parti, il rispetto delle norme di riferimento e uno scrupoloso collaudo, concorrono attivamente al raggiungimento dell. Schema di cablaggio del TM3DI16 / TM3DI16G Introduzione Questi moduli di espansione dispongono di morsettiera rimovibile a vite o a molla per il collegamento degli ingressi e dell'alimentazione Regole per il cablaggio Vedere Miglior prassi per il cablaggio Schemi di cablaggio.
Salve a tutti, mi servirebbe uno schema elettrico completo di cablaggio di un quadro elettrico industriale, in particolare mi servirebbe la tabella di cablaggio di relè, magnotetermici, pulsantiere e interblocchi elettrici Devo sostenere un colloquio tecnico per un'azienda che produce quadri elettrici industriale di comando e manovra, vorrei. 2gen21 Esplora la bacheca "Cablaggio elettrico" di Aurora Testi, seguita da 423 persone su Visualizza altre idee su cablaggio elettrico, elettricità, schema elettrico. Sia che l'installazione sia esterna o interna, bisogna tener bene a mente lo schema di cablaggio della rete LAN da eseguire Leggi l'articolo per scoprirne di più Tel 39 02 Fax 39 02 info@itssrlit Via Rancati 23, 127 Milano.
Lo schema di cablaggio maggiormente utilizzato è l’EIA/TIA568B che è il più recente ed ha una diafonia minore rispetto a quella del EIA/TIA568A Differenza tra cavi Ethernet dritti (patch) e incrociati (cross) Esistono due tipologie di Cavi Lan I cavi dritti (o patch). 1mag Esplora la bacheca "Schema elettrico" di Gianni su Visualizza altre idee su schema elettrico, elettricità, cablaggio elettrico. Schema di montaggio Il cablaggio di fase viene eseguito come per le linee ordinarie con una tensione di 2 V, insieme a un neutro La tensione di ogni coppia di fasi dovrebbe essere 380 V, con un angolo di fase di un carico uniforme di 1 gradi Per costruire correttamente la griglia, avrai bisogno di.
L'applicazione Schema di cablaggio schematico del pannello solare non è un'applicazione per carta da parati Forniamo solo questa applicazione Schema di cablaggio del pannello solare per aggiungere i tuoi riferimenti creativi o idee, con idee e spiegazioni molto dettagliate in modo da non doverti preoccupare di scaricare e installare questa applicazione. Lo schema finale realizzato, ci permette di fornire una soluzione tecnicamente e ed economicamente vincente per ogni occasione Cablaggio quadri elettrici Oltre ad una attenta progettazione, il corretto assemblaggio delle parti, il rispetto delle norme di riferimento e uno scrupoloso collaudo, concorrono attivamente al raggiungimento dell. Schema di cablaggio tasca in plastica NSYDP4 Schneider Electric NSYDP4 Versione Tasca schema di cablaggio, Materiale Plastica, Idoneo per larghezza alloggiamento 278 mm, Colore grigio, Numero RAL 7035, Trasparente sì, Fissaggio autoadesivo sìDescrizione dettagliata dell’articolo Schema di cablaggio tasca in plasticaDescri.
1 Schema di cablaggio per avvolgimenti Questo schema di cablaggio mostra come abbinare i fili per ogni connessione ai relativi avvolgimenti 2 Schema cablaggio elettrico Creare uno schema elettrico per visualizzare i collegamenti dei cavi e il layout fisico di un sistema o circuito elettrico 3 Schema elettronico a semiconduttore. A meno che tu non abbia bisogno di fare un grande lavoro di cablaggio, potrebbe essere meno frustrante e costoso comprare cavi già pronti Un cavo CAT5 non può superare i 100 metri I ripcord (cavi in fibra ottica), se presenti, sono generalmente forti, dunque non provare a spezzarli tagliali. Ciò risulta particolarmente utile quando si realizza un cablaggio con cavi confezionati I cavi per dati con applicato il blocco terminale preLink ® entrano anche negli spazi più ristretti e una volta posati possono essere collegati nel giro di pochi secondi, una facilitazione e un risparmio di tempo non indifferenti Inoltre i cavi usurati montati su apparecchiature mobili possono essere.
Siccome sono sicuro che un buon cablaggio con buoni componenti e buone saldature sia indispensabile per avere della buona qualità, ho cercato un po’ in internet vari schemi di cablaggio Ho trovato che sul sito di Seymour Duncan, appunto, ci sono vari diagrammi da poter seguire secondo la configurazione che si desidera. 19lug Esplora la bacheca "Cablaggio elettrico" di Enzo Galasso su Visualizza altre idee su cablaggio elettrico, schema elettrico, elettricità. Topologia di un cablaggio strutturato • Gli standard TIA/EIA 568A, ISO/IEC adottano la medesima topologia stellare gerarchica costituita da – centro stella di comprensorio (primo livello gerarchico) – centro stella di edificio (secondo livello gerarchico) – centro stella o armadio di piano (terzo livello gerarchico).
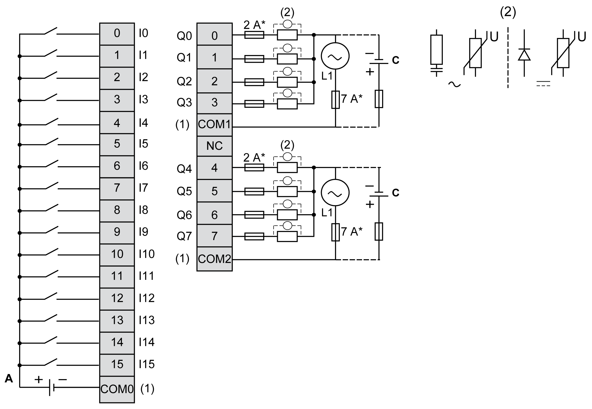
Per verificare di aver svolto tutti i passaggi mediante cui cablare un cavo Ethernet in maniera corretta e per accertarti del corretto funzionamento del cavo puoi ricorrere all’uso di un semplice tester di cablaggio I tester sono degli apparecchi con prezzi che variano, a seconda delle caratteristiche offerte, tra i 10,00 euro e i 40,00 euro. Dopo il cablaggio di tutti i componenti finalmente l’impianto solare è pronto per l’uso Se siete interessati a sapere quanta energia viene prodotta dal pannello solare o la quantità di energia che viene consumata da vostri apparecchi dovete utilizzare un contatore di energia Guida passo passo. Schema di cablaggio con cavi non cablati La seguente figura illustra le connessioni tra le uscite, gli attuatori e le linee comuni * Fusibile tipo T Per maggiori informazioni sull'alimentazione 24 Vdc, vedere la sezione Caratteristiche dell'alimentazione DC.
Assicurarsi di spegnere l'unità prima di realizzare le operazioni di cablaggio 2 Prestare particolare attenzione al percorso di instradamento dei cavi Disporli alla distanza adeguata dal motore, tubo di scappamento e così via Il calore può danneggiare i cavi 3 Se il fusibile si brucia, verificare che il cablaggio sia stato installato. 1mag Esplora la bacheca "Schema elettrico" di Gianni su Visualizza altre idee su schema elettrico, elettricità, cablaggio elettrico. SCHEMA DI CABLAGGIO FERRO DA STIRO CF Title SCHEMACABLAGGIOFERROcdr Author IVAN SAGRILLO Created Date 1/10/07 1000 AM.
Richiesta di banda legato alle nuove tecnologie quali l’accesso ad internet, email e relativi allegati, video, supporti di streaming e file transfer 32 Ciclo di vita di una rete La durata media prevista di un’installazione di cablaggio è di anni Durante tale periodo, diverse nuove generazioni di hardware e software saranno installate,. Schema di cablaggio tasca in plastica NSYDP4 Schneider Electric NSYDP4 Versione Tasca schema di cablaggio, Materiale Plastica, Idoneo per larghezza alloggiamento 278 mm, Colore grigio, Numero RAL 7035, Trasparente sì, Fissaggio autoadesivo sìDescrizione dettagliata dell’articolo Schema di cablaggio tasca in plasticaDescri. Cablaggio Cavo Ethernet Un cavo Ethernet di rame deve rispettare lo standard di cablaggio EIA/TIA che prevede l’intestazione di un connettore RJ45 con un preciso ordine degli 8 fili del cavo Cavo ethernet cat 5E Pinza crimpatrice La normativa prevede due diversi tipi di connessione lo schema standard T568A e lo schema standard T568B.
1mag Esplora la bacheca "Schema elettrico" di Gianni su Visualizza altre idee su schema elettrico, elettricità, cablaggio elettrico. Analisi di un caso pratico cablaggio di un quadro elettrico La presente sezione del sito vuole illustrare, mediante l’ausilio di fotografie relative ad un caso sempre e solo meri strumenti di lavoro Schema multifilare Schema funzionale Definizione del layout interno quadro Fase 2 – attività propedeutiche al cablaggio. Sia che l'installazione sia esterna o interna, bisogna tener bene a mente lo schema di cablaggio della rete LAN da eseguire Leggi l'articolo per scoprirne di più Tel 39 02 Fax 39 02 info@itssrlit Via Rancati 23, 127 Milano.
Guida al cablaggio di un quadro elettrico – Analisi di un caso pratico 1 Le informazioni contenute nel presente documento sono tutelate dal diritto d’autore e possono essere usate solo in conformità alle norme vigenti In particolare Voltimum Italia srl a socio Unico si riserva tutti i diritti sulla scheda e su tutti i relativi contenuti. Assicurarsi di spegnere l'unità prima di realizzare le operazioni di cablaggio 2 Prestare particolare attenzione al percorso di instradamento dei cavi Disporli alla distanza adeguata dal motore, tubo di scappamento e così via Il calore può danneggiare i cavi 3 Se il fusibile si brucia, verificare che il cablaggio sia stato installato. Nel disegno tecnico di circuiti elettronici, piano o schema di c, di un’apparecchiatura in fase di montaggio, la rappresentazione grafica, al vero o in scala, che riporta sia la corretta distribuzione dei componenti sullo châssis (di solito rappresentati con il loro simbolo elettrico e un numero d’ordine di riferimento) sia quella dei percorsi dei collegamenti elettrici tra i componenti stessi, realizzati tramite conduttori filiformi o circuito stampato.
Figura A Schema di cablaggio secondo lo Standard EIA/TIA T568A 4 Tenere i fili stretti tra due dita ed appiattirli in modo che stiano ben affiancati tra di loro, lisciateli bene, togliendo le leggere curvature dovute al precedente avvolgimento tra i fili, stirandoli con le dita Attenzione che non si spostino. 25feb Esplora la bacheca "Schema Elettrico" di Francesco G su Visualizza altre idee su schema elettrico, cablaggio elettrico, elettricità. Schema di cablaggio con cavi non cablati La seguente figura illustra le connessioni tra le uscite, gli attuatori e le linee comuni * Fusibile tipo T Per maggiori informazioni sull'alimentazione 24 Vdc, vedere la sezione Caratteristiche dell'alimentazione DC.
Cablaggio connettore USB Schema di saldatura /05/19 Connettore USB È stato sviluppato dal 1994, mentre il team di sviluppo era composto da ingegneri di aziende leader nel campo delle tecnologie IT Microsoft, Apple, Intel e altri Nel processo di ricerca, è stato perseguito un compito trovare una porta universale che potesse essere. 1 Schema di cablaggio per avvolgimenti Questo schema di cablaggio mostra come abbinare i fili per ogni connessione ai relativi avvolgimenti 2 Schema cablaggio elettrico Creare uno schema elettrico per visualizzare i collegamenti dei cavi e il layout fisico di un sistema o circuito elettrico 3 Schema elettronico a semiconduttore. Figura A Schema di cablaggio secondo lo Standard EIA/TIA T568A 4 Tenere i fili stretti tra due dita ed appiattirli in modo che stiano ben affiancati tra di loro, lisciateli bene, togliendo le leggere curvature dovute al precedente avvolgimento tra i fili, stirandoli con le dita Attenzione che non si spostino.
Cablaggio Schema elettrico o di collegamento per cavi elettrici in una scatola di derivazione Soddisfare Manuale di installazione passopasso;. Layout della scatola di distribuzione;. Procedure di disegno e progettazione estremamente semplificate e automatizzate Database Utilizza il database AMW di SPAC Automazione con tabelle specifiche per guaine, tubi e accessori del cablaggio Inserimento connettori Inserimento dei connettori dello schema elettrico di SPAC.
Lo schema di cablaggio non deve essere necessariamente rettilineo per dare l'idea di ordineLa tendenza attuale è quella di creare curve o configurazioni più giocose, rivestendo il cavo di un materiale colorato a scelta. 1mag Esplora la bacheca "Schema elettrico" di Gianni su Visualizza altre idee su schema elettrico, elettricità, cablaggio elettrico. Il cablaggio, in elettrotecnica, telecomunicazioni e informatica, è l'insieme dei collegamenti e impianti fisici (cavi, connettori, permutatori, infrastrutture di supporto) che permettono l'interconnessione tipicamente nell'ambito di un edificio o un gruppo di edifici per la realizzazione di una rete (es rete elettrica, rete telefonica, rete di telecomunicazioni, rete locale, ultimo miglio.
Analisi di un caso pratico cablaggio di un quadro elettrico La presente sezione del sito vuole illustrare, mediante l’ausilio di fotografie relative ad un caso sempre e solo meri strumenti di lavoro Schema multifilare Schema funzionale Definizione del layout interno quadro Fase 2 – attività propedeutiche al cablaggio. Schema di cablaggio del TM3DI16 / TM3DI16G Introduzione Questi moduli di espansione dispongono di morsettiera rimovibile a vite o a molla per il collegamento degli ingressi e dell'alimentazione Regole per il cablaggio Vedere Miglior prassi per il cablaggio Schemi di cablaggio. In questo video vi mostro come effettuale il cablaggio e vi spiego il funzionamento di un sensore di movimento a raggi infrarossiSolitamente questi sensori.
Il RMU fisso, che è dotato di interruttore a vuoto tipo VT2A, viene utilizzato per proteggere il circuito, è un complemento di schema di cablaggio primario di RMU La RMU fija, que se instala en el tipo de disyuntor VT2A se utiliza para proteger el circuito, es un suplemento del esquema de cableado principal de RMU. Autoradio schemi elettrici autoradio filo diagramma filodiffusione schema stereo schema elettrico gm Radio schema elettrico Auto schemi di collegamento autoradio cablaggio autoradio cablaggio colori autoradio filo autoradio connessioni schema elettrico dell'automobile colori dei fili radiofoniche stereo. Il cablaggio è sicuro e affidabile grazie all’impiego di specifici connettori che si agganciano a scatto sul ripartitore Ogni sistema di cablaggio rapido per quadri elettrici Easyclic è dotato di una doppia connessione sul neutro in modo da poter realizzare in uscita 12 circuiti trifase 4P o 24 circuiti monofase 2P.
Il lavoro di cablaggio inizia con la creazione di un progetto e uno schema elettrico Questo documento è la base per la futura pubblicazione della casa La creazione di un progetto e di uno schema è una questione abbastanza seria ed è meglio affidarla a specialisti esperti. Cablaggio in fibra ottica p 08 Terminale di Testa p 10 CSOE Servizi e Distribuzione p 12 QDSA p 16 STOA p 18 Cavo Ottico p Splitter ottici p 22 Accessori di completamento p 24 Terminazione di fibra ottica p 29 Giuntatrice p 30 Verificatori e Certificatori p 35 Formarsi con Qubix p 42. Sia che l'installazione sia esterna o interna, bisogna tener bene a mente lo schema di cablaggio della rete LAN da eseguire Leggi l'articolo per scoprirne di più Tel 39 02 Fax 39 02 info@itssrlit Via Rancati 23, 127 Milano.
Gruppi Di Auto Colorate Elettrico Schema Di Cablaggio Sul Foglio Di Carta Foto Stock Alamy
Schemi Di Collegamento E Nuove Funzionalita Su Unifilari
Schema Elettrico Per Ventilatore A Soffitto Con Lampada Casa Elettrica
Collegamento Tra Cassette Di Derivazione E Centralino Elettronica Semplice
Www Microphon It Cablaggio Strutturato
Schema Di Cablaggio A 4 Chiamate Per Quadro Digitale 1600 G15 Feb Elettrica Feb Elettrica
Tuttoreti Realizzare Una Rete Lan
Schema Di Cablaggio Fare Di Una Mosca
Standard Schemi E Regole Per Il Cablaggio
Schemi Per Impianti Elettrici La Rappresentazione Grafica Mthw It
Invertitore Elettrico Schema E Collegamento All Impianto
Schema Elettrico Vespa Pk Xl 50 Vendita Ricambi E Accessori Scooter Vespa E Moto
Schemi Per Impianti Elettrici La Rappresentazione Grafica Mthw It
Schema Di Collegamento Telecamere Videosorveglianza Prodotti Mondialtec
Elettricista Con Lo Schema Di Cablaggio In Ambienti Interni Foto Stock Alamy
Schema Di Cablaggio Del Tm3dq16tk
Schema Di Cablaggio Fare Di Una Mosca
Introduzione Agli Schemi Elettrici Industriali
Schema Di Cablaggio Controller Motore Voilamart Ebike Scelte Ebike
Pin Su Progetti Da Provare
Koolguitars Wiring Per Chitarra Elettrica Strato Les Paul Sg
Impianto Elettrico Schema Progetto Normative Costi E Certificazione
Schema Di Cablaggio Cavi Elettrici E Conduttori Di Caterpillar Inc Fusibile Caterpillar D7 Scaricare Png Disegno Png Trasparente Testo Png Scaricare
Assembliamo Una Stratocaster Pt 5 Lellolombardi It
Cablaggio Strutturato Lezione 4
Citofono Urmet 1130 Schema Di Collegamento Bufer 95 Impianti Elettrici
Schema Di Cablaggio Del Tm3ti4 Tm3ti4g
Schema Di Cablaggio Per Eps10 Elettronica Immagini Vettoriali Stock E Altre Immagini Di Bianco Istock
Schema Di Cablaggio Plc Fare Di Una Mosca
Schema Di Cablaggio Gibson Es 335 Semi Acustica Chitarra Elettrica Fili E Cavi Gibson Les Paul Bull Riparazione Scaricare Png Disegno Png Trasparente Tecnologia Png Scaricare
Impianto Elettrico Mercedes Benz 190 Sl Club Italia
Cablaggio Connettore Elettrico Cavi Elettrici E Schema Di Cablaggio Altri Adattatore Cavo Png Pngegg
L Impianto Elettrico Nell Appartamento
Cablaggio In Garage 45 Foto Schema Di Cablaggio Fai Da Te Per Come Eseguire Correttamente La Messa A Terra
Vespa E Basta I Vecchi Px A Batteria
Schema Tennis Efficace
Schema Di Cablaggio Per Dadi Per Violino 1 Set Accessori Per Violino Elettrico 4 4 Strumenti Musicali Strumenti A Corda
Schema Di Cablaggio Fare Di Una Mosca
Come Fare Uno Schema Elettrico Civile Elettricasa
Impianto Elettrico Guida Montaggio Strumentazione Koso Db 0
Tm3dm24r Tm3dm24rg Schema Di Cablaggio
Schemi Per Impianti Elettrici La Rappresentazione Grafica Mthw It
Impianto Elettrico Schema Progetto Normative Costi E Certificazione
Schema Di Cablaggio Di Kymco Super 8 Gratis Immagine Del 17 Agility 50 Immagini Paratamoto
Schemi Elettrici Industriali Gli Schemi
Chiarezza Con Pochi Clic Schemi Di Cablaggio Con Layout Automatico Preevision Di Vector Elettronicainpro
Trade Quality10x Standard Uk Fusibile 13 Amp Bianco 3 Pin Spine Casalinghe Munite Di Perni Colorati Completo Di Scheda Che Mostra Schema Di Cablaggio Amazon It Fai Da Te
Impianto Elettrico A Norma Quadro Elettrico Salvavita Messa A Terra Certificazioni Tutto Quel Che C E Da Sapere Cose Di Casa
Schema Elettrico Wikipedia
L Impianto Elettrico Nell Appartamento
Invertitore Schema E Collegamento Bufer 95 Impianti Elettrici
Schema Elettrico Wikipedia
Come Scegliere Il Quadro Elettrico Per Il Proprio Impianto Domestico
What 27s A Tennis Diagram Semplice Schema Di Cablaggio Tennis Efficace
Installazione E Collegamenti Collegamenti E Schema Di Cablaggio Precauzioni Alpine Tue T150dv User Manual Page 99 140 Original Mode
Schema Di Rete Del Computer Schema Di Cablaggio Di Microsoft Powerpoint Simbolo Angolo Sistemi Cisco Png Pngegg
Leggere Uno Schema Elettrico Roboelettronica Schema Elettrico Cablaggio Elettrico Fai Da Te Elettronica
Schemi Per Impianti Elettrici La Rappresentazione Grafica Mthw It
Schema Di Collegamento Quadro Elettrico Classico Oldwildweb Casa
Schema Di Collegamento Interruttore Orario
Schema Elettrico Wikipedia
Immagine Correlata Cablaggio Elettrico Schema Elettrico Quadro Elettrico
Impianto Elettrico Mercedes Benz 190 Sl Club Italia
1 Set Accessori Per Violino Elettrico 4 4 Schema Di Cablaggio Per Dadi Per Ebay
Schema Di Principio Protezione Cablaggio Strutturato Trade Telecomunicazioni
Impianto Elettrico Mercedes Benz 190 Sl Club Italia
Ndr Srl Schema Di Collegamento Finecorsa Attuatori
Kymco Super 8 125 Schemi Di Cablaggio Elettrico 07 Persone S 50 4t Prezzo Paratamoto
Impianto Elettrico Cablaggio Con Schema Vespa 50 R V5a1t Ebay
Elsawin6 Riparazione Guida Schema Di Cablaggio Manuale Di Riparazione Con Il Video Di Installazione In 32gb Usb Flash Drive Per Win7 Win10 Software Aliexpress
Introduzione Agli Schemi Elettrici Industriali
Gestione Alberghiera On Line Schema Di Collegamento Netbus Ave Spa
Q Tbn And9gcs Qeo1cqir7j713hgkixyq6fs2gev4dwj26mmlicexyzpb 5 7 Usqp Cau
Schema Di Un Impianto Fotovoltaico
Schema Di Cablaggio Del Tmc4ai2
1
Strumento Indicatore Trim Problemi Nel Collegamento Posto Lo Schema
Come Fare Cavo Di Rete Dritto E Incrociato Prodotti Mondialtec
Schema Di Cablaggio Per Unita Display 1600 G99 Big Modalita Ripetitore Feb Elettrica Feb Elettrica
Futuro Album Di Laurea Avversario Schemi Elettrici Industriali Amazon Settimanaciclisticalombarda It
Koolguitars Wiring Per Chitarra Elettrica Strato Les Paul Sg
Schema Di Cablaggio Del Controller Strobe Piu Corretto Gs 100a Clovkaldieblan Cf
Schema Di Collegamento Delle Uscite Transistor Pnp E Npn Dei Pressostati Elettronici Blog Wika
Come Fare Uno Schema Elettrico Civile Elettricasa
Cabling Il Software Per La Realizzazione Degli Schemi Esecutivi Di Cablaggi
Schema Elettrico Modificato Per Moto Da Pista Il Forum Di Electroyou
Schema Elettrico Di Cablaggio Della Casa For Android Apk Download
Schemi Di Collegamento E Nuove Funzionalita Su Unifilari
Schema Di Cablaggio Illuminazione Di Etap Lighting
Schema Di Collegamento Rilevatore Di Movimento A Infrarossi
Schema Di Cablaggio Fili Elettrici E Cavi American Wire Gauge Hdmi Aiuto Connessione Scaricare Png Disegno Png Trasparente Testo Png Scaricare
Come Fare Uno Schema Elettrico Civile Elettricasa
Cabling Il Software Per La Realizzazione Degli Schemi Esecutivi Di Cablaggi
Cbb61 Sh Ventilatore A Soffitto Schema Elettrico Condensatore Buy Ventilatore A Soffitto Schema Di Cablaggio Condensatore Cbb61 Ventilatore A Soffitto Cablaggio Condensatore Ventilatore A Soffitto Schema Di Cablaggio Condensatore Cbb61 Product On
Idea Cad Elettrico Per Disegno Schemi Elettrici
Schema Di Collegamento Rele Ad Impulsi Modulare


